|
188-6099-5107
商務合作:cuitingyu@email.acrel.cn
安科瑞 劉芳 18860995107
《電動汽車傳導充電系統》中要求:在充電機端和車輛端均設置IMD電路,充電之前,由充電機負責充電機內部(含充電電纜)的絕緣檢查,由電動汽車負責整個系統的絕緣檢查。充電直流回路DC+、PE之間的絕緣電阻,與DC-、PE之間的絕緣電阻(兩者取小值R),當R>500Ω/V視為安全;100 Ω/V < R ≤500Ω/V時,宜進行絕緣異常報警,但仍可正常充電; R≤100Ω/V視為絕緣故障,應停止充電。
《電動汽車非車載傳導式充電機技術條件》中要求:充電機應具備對直流輸出回路進行絕緣檢測的功能,并且充電機的絕緣檢測功能應與車輛絕緣檢測功能相配合。充電電機的絕緣監測功能應符合GB/T 18487.1-2015中的規定。充電機在進行絕緣檢測前應該檢測直流輸出接觸器(K1、K2)的外側電壓,當電壓超過±10V時應停止絕緣監測流程并發出告警信號。
隨著全球能源危機、用能增加以及新能源技術的發展,新能源發電越來越廣,并逐步形成新型能源與電力市場 。直流系統作為新能源應用的重要環節,其應用也越來越廣泛。
1.1規避人身安全風險
直流充電樁承載著高電壓直流電,絕緣性能一旦受損,漏電風險急劇攀升,易引發觸電事故,對充電人員和運維人員的生命安全構成嚴重威脅。絕緣監測能夠實時捕捉絕緣隱患,在事故發生前及時采取斷電等有效措施,切實避免人員觸電,全力守護生命安全。
1.2保障設備穩定運行
絕緣故障往往會引發電氣短路和過熱現象,這不僅會導致充電樁設備損壞,嚴重時甚至可能引發火災,造成不可挽回的財產損失。通過絕緣監測,能夠及時發現并解決絕緣問題,有效降低設備損壞風險,保障充電樁及周邊財產安全。
1.3確保充電服務質量
在充電過程中,絕緣故障是導致充電樁停機或充電中斷的常見原因,這給用戶帶來不便,嚴重影響用戶體驗。絕緣監測能夠提前發現并解決潛在問題,顯著減少此類故障的發生頻率,確保充電過程的連續性和穩定性,提升用戶對電動汽車及充電設施的信心,有力推動電動汽車的普及。
降低運營成本
借助絕緣監測,運營方可實現預防性維護。依據監測數據,提前規劃維修保養工作,避免故障發生后的緊急搶修,從而減少設備維修成本和因停機造成的經濟損失。同時,良好的絕緣狀態有助于延長設備使用壽命,提高設備利用率,從長期來看,可有效降低運營成本。
2. 直流絕緣監測解決方案


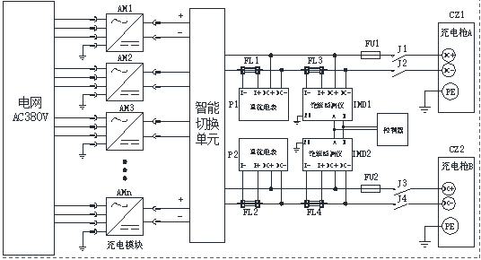
該示例為一個雙槍120kW直流充電樁。絕緣監測儀由控制器測量電壓、電阻和電流。充電樁使用時,單獨使用A槍或B槍時,控制器控制對應IMD1或者IMD2絕緣監測儀先進行絕緣監測;雙槍同時使用時,控制器控制IMD1絕緣監測儀先進行絕緣監測。
3. 直流絕緣監測產品
AIM-D系列直流絕緣監測儀專為直流系統設計,用于不接地的直流系統接地故障檢測。當直流系統出現接地故障時,能發出絕緣故障報警信號。
產品可以應用在發電廠家、變電站的直流屏、電動汽車充電裝置、UPS供電系統、儲能系統及其它直流電網等直流系統。
實時監測:能夠實時不間斷地對充電樁的絕緣狀態進行監測,及時發現絕緣性能的變化和潛在的絕緣故障,為安全充電提供保障。
故障預警:當檢測到絕緣電阻值接近或低于設定的安全閾值時,絕緣監測裝置會發出預警信號,提醒工作人員及時進行檢查和維護,避免故障進一步發展導致安全事故。
保護動作:在絕緣故障嚴重時,絕緣監測裝置能夠迅速觸發保護機制,切斷充電樁的電源,防止漏電電流對人員和設備造成傷害,確保充電過程的安全可靠。
數據記錄與分析:可以記錄絕緣監測的歷史數據,包括絕緣電阻值、故障發生時間、報警信息等。通過對這些數據的分析,運維人員可以了解充電樁絕緣性能的變化趨勢,制定合理的維護計劃,提高充電樁的運維管理水平。
3.2 CA系列充電樁用絕緣監測儀
3.2.1 AIM-D200-CAI
AIM-D200-CAI(適用于DC100V~1000V直流樁)
功能特點:
監測單路直流正負極對地電阻,低于設定值報警。
測量正負之間,正負極極對地電壓。
LED運行和故障指示。
1路直流電流監測功能。
RS485通訊,Modbus-RTU協議。
4模導軌安裝,插拔端子。
支持周期監測和通訊觸發監測
3.2.2 AIM-D100-CAD
AIM-D100-CAD(適用DC100V~1000V雙槍直流樁)
功能特點:
監測雙路直流正負極對地電阻,低于設定值報警。
測量正負之間,正負極極對地電壓。
LED指示,運行、通訊、預警、報警、反接指示。
雙路獨立監測和報警。
通過撥碼設置參數。
RS485通訊,Modbus-RTU協議。
支持周期監測和通訊觸發監測