|
188-6099-5107
商務合作:cuitingyu@email.acrel.cn
安科瑞 崔庭宇
摘要:本文介紹湖北保利大酒店配電房改造工程電力監控系統,采用智能電力儀表、采集配電現場的各種電參量和開關信號。系統采用現場就地組網的方式,組網后通過光纖通訊并遠傳至后臺,通過Acrel-2000Z型電力監控系統實現配電室配電回路用電的實時監控和管理。
關鍵詞:智能電力儀表;Acrel-2000Z;電力監控系統;
0 概述
隨著社會經濟發展、生產自動化程度的提高、勞動力的解放和生活質量的改善,大量電能驅動設備投入到生產、生活中,人們對電力的依賴程度越來越高。供電的可靠性、連續性已經成為整個社會關心的重要問題之一。由于供電系統具有產生和消費同時發生的特殊性,對整個供電過程進行有效的監控,是保證供電可靠性和連續性的重要手段。
湖北保利大酒店位于湖北省武漢市,現場共有1個配電室。
本次項目主要涉及湖北保利大酒店配電房內的網絡多功能儀表、微機保護、直流屏等設備,監控主機位于地下1層的值班室。
1 需求分析
為保證生產管理用電負荷的統計與分析及對危險源實時監控。需要對項目現場的配電室中進線及出線回路進行電壓、電流、功率等參數進行實時在線監控。一旦監控點被監視參數異常,能夠及時檢測報警,有關人員采取必要的措施,避免安全事故的發生。自動抄表功能節省了人力物力,功率趨勢曲線功能能夠直觀的顯示各回路的工作狀態與時間,方便用戶找出非正常用電回路并且及時進行整改,建立電能多級計量體系提供用能分析依據。
2 系統方案
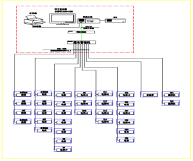
安科瑞Acrel-2000Z系統根據湖北保利大酒店配電房改造工程電力監控系統現場實際情況,整體網絡結構采用屏蔽雙絞線直接接至數據采集器然后通過光纖將數據上至配電室的監控主機,保障了電力監控系統傳輸的穩定性與實時性。
1)站控管理層
站控管理層針對電力監控系統的管理人員,是人機交互的直接窗口。在湖北保利大酒店配電房改造工程電力監控系統工程中主要指置于地下一層配電室的監控主機。
2)網絡通訊層
通訊層主要是由采集器、以太網設備及總線網絡組成。串口服務器主要功能是監測現場智能儀表;以太網設備及總線網絡的主要功能是實現分站與主站之間的數據交互,使配電系統管理集中化、信息化、智能化,提高了配電系統的安全性、可靠性和穩定性,達到了無人值守的目的。
3)現場設備層
現場設備層是數據采集終端,主要由智能儀表組成,智能儀表通過屏蔽雙絞線RS485接口,采用MODBUS通訊協議總線型連接接入通訊服務器,經通訊服務器到達該配電間監控主機進行組網,實現遠程控制。
系統結構圖
3 系統功能
變電所實時監控系統圖為主監控畫面,主要實時監測變電所所有回路的運行狀態,紅色代表合閘,綠色代表分閘。在系統圖中可以直觀的看到每路進線和出線的運行參數和狀態,可以看到變壓器出線側的所有常規電力參數,如:三相電壓、電流、有功功率、無功功率、功率因數、頻率、有功電度等。如下圖所示:

一次系統圖
遙信和遙測報警功能,主要完成對低壓各出線回路的開關運行狀態和負載進線監控,對開關變位和負載越限彈出報警界面指示具體的報警位置并聲音報警,提醒值班人員及時處理。負載越限值在相應權限下可自由設置。
事件告警記錄功能,主要完成對查詢時間段內出現的報警信息事件記錄以及發生時間,為值班人員提供依據并且分析事故發生的原因,如下圖所示:
報警功能實時查詢
參數抄表功能,主要對低壓各出線回路的電參數進線查詢。支持任意時刻電參數查詢,具備數據導出和報表打印等功能。該報表查詢南陽臥龍站綜合交通樞紐電力監控系統配電室進出線各低壓回路的電參數,主要包括:三相電流、有功功率和有功電度。該報表各回路名稱和數據庫關聯,方便用戶修改回路名稱。如下圖所示:
電參數抄表
用電量報表功能,可選擇時間段進行查詢,支持任意時間段電度累計查詢,具備數據導出和報表打印等功能。為值班人員提供了可靠的電能報表。該報表各回路名稱和數據庫關聯,方便用戶修改回路名稱。如下圖所示,用戶可以直接打印報表,可以以EXCEL格式另存到其他位置。 如下圖所示:
電能報表
系統通訊結構示意圖,主要顯示系統的組網結構,系統采用分層分布式結構,同時監測間隔層設備的通信狀態。紅色表示通訊正常,綠色表示通訊故障。下圖為變電所通訊狀態示意圖。
通訊結構示意圖
4 結束語
在當今配電設施的應用中,項目的配電安全性至關重要,本文介紹的Acrel-2000Z電力監控系統在湖北保利大酒店配電房改造工程的應用,可以實現對配電室供配電回路用電的實時監控,不僅能顯示回路用電狀況,還具有網絡通訊功能,可以與串口服務器、計算機等組成電力監控系統。系統實現對采集數據的分析、處理,實時顯示配電室內各配電回路的運行狀態,對負載越限具有彈出報警對話框、語音提示,并生成各種電能報表、分析曲線、圖形等,便于電能的遠程抄表以及分析、研究,該系統運行安全、可靠、穩定,為商業廣場項目解決用電問題提供了真實可靠的依據,取得了較好的企業效益。
參考文獻:
[1]《電力電測數字儀表原理與應用指南》, 任致程、周中,中國電力出版社
[2]《電力監控系統在供配電設計中的應用》,高士宏,科技風
作者簡介:
崔庭宇,男,本科,江蘇安科瑞電器制造有限公司,主要研究方向為工業能源管理系統。Email:cuitingyu@email.acrel.cn;QQ:2881068608;手機:18860995105;電話:0510-86179851;傳真:0510-86179975 網址:http://www.acrel-energy.cn