|
188-6099-5107
商務合作:cuitingyu@email.acrel.cn
安科瑞 王沖
摘要:近年來,隨著城市規模的不斷擴大,路燈事業也有了蓬勃發展。然而隨之而來的是管理缺失和質量安全問題。路燈桿點多面廣,一旦漏電就有可能會造成重大的人員傷亡事故,不僅給受害者家庭帶來痛苦,而且政府相關部門也要承擔巨額的經濟賠償責任。路燈作為市政公共設施,漏電時刻威脅著人民群眾的生命安全,如何科學遏制事故的發生,成為目前管理部門亟待解決的問題。
關鍵詞:路燈;人員傷亡事故;漏電
0.概述
統計路燈桿帶電致人死亡的時間,發現其中有一個共同點——悲劇大多數發生在雨天,其中大雨天居多。像路燈桿、霓虹燈、電箱、路邊燈箱等公共用電設備,通常是采用低壓供電,除非設施自身發生故障,一般不會傷人。路燈桿漏電事故多數發生在雨天潮濕天氣,尤其是多雷雨的夏季。這一方面是由于夏季高溫,路燈設施運行在較高的溫度和濕度下,電纜絕緣層容易老化擊穿而導致燈桿漏電;另一方面是由于夏季人們衣物減少,如普遍的短袖、短褲和涼鞋,裸漏的皮膚容易接觸到燈桿金屬帶電部分,鞋子裸漏的人體和大地形成回路造成觸電事故。而春冬季節由于鞋子的良好絕緣即使觸電也很少造成人員傷亡事故。需要提醒大家注意的是:暴雨天,當雨水浸過帶電設備時,可能造成設備帶電;陰雨天,雨水淋上金屬路燈桿,會加劇路燈內部漏電或導電的現象。這些公共用電設備長時間處于潮濕狀態會有可能造成內部出現問題
1.路燈漏電的情況
路燈漏電通常有下面三種情況:①線路老化,漏電造成了電能的損耗,同時也違紀行人的安全;②電纜接頭絕緣處理不良,在低洼路段遭雨水浸泡而發生漏電危及行人安全;③路面開挖的頻次加大,在此過程中也經常會出現損壞路燈供電線纜造成漏電并危及施工人員的安全。燈桿漏電事故的原因是多方面的,有的是燈桿內的電纜絕緣層老化與燈桿搭火;有的是電器光源不合格,如鎮流器被擊穿導致燈桿帶電,或者電線接線端子燒毀造成燈桿帶電;還有是由于人為破壞造成的燈桿帶電;惡劣的自然環境造成的燈桿帶電,如雷雨,臺風,地震等自然災害。
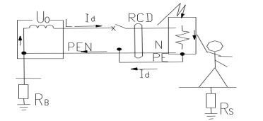
現實的情況是,在暴雨天氣燈桿檢修門被水淹,在電纜接頭遭水浸發生漏電的情況下,過電流保護器根本無法切斷故障回路,這時燈桿及周圍水域都會帶電,危及行人安全。近年來國內路燈漏電電死人的事故頻頻發生,管理部門承擔巨大的責任和壓力。這些事故的發生,究其原因都是沒有按照國標要求安裝漏電保護裝置。
在路燈建設過程中執行的標準《城市道路照明設計標準》(CJJ45-2006):金屬燈桿及構件、燈具外殼、配電及控制箱屏等的外露可導電部分,應進行保護接地。只有保護性接地是強制要求的。路燈線路屬于TN-S三相五線制低壓配電線路,由于多裝在人行道旁,如發生非金屬性接地,因故障相與大地間存在一定的接地電阻,接地電流遠小于通常的單相短路電流值,普通的斷路器不能切斷或不能快速切斷故障線路,致使路燈金屬部位長時間帶電,路人一旦觸碰,就有可能發生電擊的危險。
2.城市道路照明配電系統采用TN-S接地方式存在的問題
1) 配電線路一般比較長,接地故障電流比較小。使用熔斷器或斷路器的瞬時過電流脫扣器兼做接地故障保護。很難保證按《低壓配電設計規范》(GB50054-95)的規定,在5s內切斷故障電路。
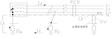
2) TN-S方式,燈具、電桿、電器盒等的外露導電部分是通過PE線連接到配電變壓器中性點而接地,當該變壓器其他部分發生對地直接連接之類的故障時,保護電器難以斷開,故障電流經大地流到變壓器接地極回到中性點,致使中性點電位升高,此電位經過PE線傳至燈桿等處外露導電部分;接地保護能否起到保護作用的關鍵是接地電阻大小,除非變壓器接地電阻非常小,不然此電位就有可能超過安全電壓限值。由于故障電流很小而無法使保護電器動作,因此不能完全保證安全。
3) 道路照明處于戶外環境,很難像建筑物內那樣做完善的等電位聯結,在發生某些接地故障時,有可能導致電擊危險
3. 產品概述
漏電保護器具有動作電流小,動作時間短的特點,它能在不大于5s的時間內切斷故障回路,并保證正常環境人身電擊安全電壓不大于50V(《低壓配電設計規范》要求),這種優于常規斷路器的技術特性,從而使漏電保護器應用于路燈配電系統成為可能。
常見的相與相間發生短路可以產生很大電流,可采用開關保護,而發生人體觸電、線路老化而導致的電流泄露產生的火災以及設備的接地故障都是由于漏電流所造成,漏電流一般都在30mA-3A,這些值很小,傳統開關無法進行保護,所以需要采用剩余電流動作保護裝置。
剩余電流繼電器是由剩余電流互感器來檢測剩余電流,并在規定條件下,當剩余電流達到或超過給定值時,使電器的一個或多個電氣輸出電路中的觸點產生開閉動作的開關電器。
下面介紹三種常見的漏電情況。
1、防直接接觸電擊需要采用I△n≤30mA的高靈敏度的RCD。
2、防間接接觸電擊可采用I△n大于30mA的中靈敏度的RCD。
3、防火RCD需采用4極或2極RCD。
對于IT系統,按規定采用剩余電流繼電器。為防止系統絕緣降低和作為二次故障后備保護,依據接線型式,采用類似 TT 或 TN 系統的保護措施。首先應采用絕緣監視裝置,預測一次故障。
對于TT系統,推薦采用剩余電流繼電器。因為當發生單相接地故障時,故障電流很小,且較難估計,達不到開關的動作電流,外殼上將出現危險電壓。此時N線需要穿過剩余電流互感器。
對于TN-S系統,可采用剩余電流繼電器。更快速靈敏切斷故障,以提高安全可靠性,此時 PE 線不得穿過互感器,N 線需要穿互感器,且不得重復接地。
對于TN-C系統,不能采用剩余電流繼電器。因為 PE 線和 N 線合一,若 PEN 線不重復接地,當外殼帶電,互感器進出電流相等,ASJ拒動;若PEN線重復接地,部分單相電流將流入重復接地,達一定值后,ASJ 誤動。 需將TN-C系統改造成TN-C-S系統,同TN-S系統,再將剩余電流互感器接入TN-S系統中。

4.產品簡介
(1)ASJ60-LD16A剩余電流監測儀適用于交流額定電壓為400V及以下的配電線路中使用,用于監測線路中的剩余電流,作為剩余電流式火災監控裝置用。也可與低壓斷路器和低壓交流接觸器組成組合式剩余電流保護裝置,用來對電氣線路進行接地故障保護,防止接地故障電流引起的設備損壞和電氣火災事故,或用來對人身觸電危險提供間接接觸保護。
該產品可應用于石油化工、工業廠房、大型公建、幼兒園、敬老院等場所的配電箱內,也可應用于路燈、庭院燈、景觀燈的配電箱內,進行漏電或接地故障監測。
(2)剩余電流監測儀外形與安裝尺寸如下圖所示。(單位:mm)
(3)功能特點
Ø 可實時監測和顯示TN-S、TT系統配電線路的剩余電流;
Ø 每只剩余電流監測儀可監測不超過16個回路的剩余電流,剩余電流監測范圍為1mA-30A;
Ø 每路剩余電流監測均可設置報警值,報警值的設置范圍為1mA-30A。每路剩余電流監測可設置報警、動作或關閉剩余電流監測;
Ø 1路水浸報警繼電器,16路剩余電流報警繼電器,每路剩余電流報警繼電器對應1路剩余電流監測,當剩余電流超過設定值時,對應繼電器動作,同時具有自動重合閘功能,重合閘的次數及間隔時間可設,重合閘功能可關閉(重合閘功能只有在回路漏電監測設置為既報警、又分閘時有效);
Ø 2路DI輸入功能,可以用于水浸或其它開關狀態監測;
Ø 具有RS485通訊、4G無線通訊等通訊功能;
Ø 30條事件記錄功能,能夠記錄報警發生的時間和故障類型;
Ø 自檢功能,按下自檢按鍵可以啟動檢驗儀表自身硬件是否工作正常;
Ø 復位功能,儀表檢測到發生故障,并在故障排除之后,可以按下復位按鍵,復位儀表。
Ø 消音功能,按下消音按鍵可以消除報警聲。
(4)儀表具體的接線端子和典型接線如下所示:
5.結語
路燈作為城市基礎設施的重要組成部分,其夜晚照明功能不可替代,而受惡劣天氣、自然災害的影響,對路燈線路造成的損壞也不可避免,但其產生的影響和危害直接威脅著民眾的生命安全,因此采取智能漏電保護措施十分重要。
參考文獻
[1]周近光.淺談路燈線路漏電保護的技術和應用[J].城市照明,2017,(3):24-25.
[2]企業微電網設計與應用手冊.2020.6
[3]田皓. 路燈線路中應該使用漏電保護器[J]. 大科技, 2018, 000(008):83.
[4]董建宇. 城市路燈線路智能漏電保護研究[J]. 通訊世界, 2019, 26(12):2.