|
188-6099-5107
商務合作:cuitingyu@email.acrel.cn
Application of ASJ Series Residual Current Relay in Offshore Platform
安科瑞 王沖
摘要:本文通過對海洋平臺接地故障的分析,論述了海洋平臺手持式和移動式用電設備安裝漏電保護器的必要性,同時簡述了漏電保護器的工作原理。
Abstract: Through the analysis of the ground fault of the ocean platform, this paper discusses the necessity of installing the leakage protector on the handheld and mobile electrical equipment of the ocean platform, and briefly describes the working principle of the leakage protector.
關鍵詞:海洋平臺;IT系統;漏電保護器
Keywords: Ocean platform; IT system; leakage protector
0:概述 Overview
在海洋石油及天然氣開采過程中,海洋平臺作為油氣采集、臨時存儲及簡單處理的重要場所,其危險性很大。同時,受日曬雨淋、鹽霧侵蝕、用電設備緊湊及操作空間狹小等諸多因素的影響,海洋平臺的電氣安全一直存在隱患。為了避免海洋平臺電氣安全事故的發生,需要根據海洋平臺的環境特點,因地制宜地選擇供配電系統接地形式,并選擇相應的接地保護方式。
In the process of ocean oil and natural gas exploitation,ocean platform are extremely dangerous as important places for oil and gas collection, temporary storage and simple processing. At the same time, affected by many factors such as sun and rain, salt spray erosion, compact electrical equipment, and narrow operating space, there are always hidden dangers in the electrical safety of ocean platform. In order to avoid electrical safety accidents of ocean platform, it is necessary to select the grounding form of the power supply and distribution system according to the environmental characteristics of the ocean platform, and choose the corresponding grounding protection method.
1:海洋平臺配電系統的特點
The characteristics of the power distribution system of the ocean platform
低壓配電系統分TN系統、TT系統及IT系統3種形式。每種接地形式的低壓配電系統都有其自身的優缺點和適用范圍。設計工作者應根據作業場所的環境條件、用電設備的特點和用電要求等因素加以具體選擇。當前,海洋平臺一般使用IT系統供電,這是由其自身的特點決定的:1)海洋平臺遠離陸地,對不間斷供電的要求高。例如平臺的消防措施和緊急逃生設施就不允許斷電;2)海洋平臺環境惡劣,鹽霧和潮濕容易使用電設備和供電線路的絕緣損壞,出現接地故障。
The low-voltage power distribution system is divided into three forms:the TN system,the TT system and the IT system. Each type of grounding low-voltage power distribution system has its own advantages, disadvantages and scope of application. Designers should make specific choices based on factors such as the environmental conditions of the workplace, the characteristics of electrical equipment, and electrical requirements. At present, ocean platform generally use IT systems for power supply, which is determined by their own characteristics: 1) ocean platforms are far away from the land and require high uninterrupted power supply. For example, the platform's fire protection measures and emergency escape facilities are not allowed to be powered off; 2) The marine platform has a harsh environment, salt spray and humidity are prone to damage to the insulation of electrical equipment and power supply lines, and ground faults occur.
2:海洋平臺手持式和移動式用電設備漏電保護問題
Leakage protection of handheld and mobile electrical equipment on ocean platforms
1) 海洋平臺手持式和移動式用電設備發生接地故障一般有以下原因;a)手持式和移動式用電設備由于需要頻繁移動,電纜與用電設備的接頭容易松脫,使相線碰設備外殼而發生接地故障;b)手持式和移動式用電設備在使用過程中電纜反復彎曲,使芯線部分折斷,刺破電纜絕緣與外部可導電部分接觸而發生接地故障。
Ground faults of handheld and mobile electrical equipment on ocean platforms are generally due to the following reasons; a) Hand-held and mobile electrical equipment need to be moved frequently, so the cable and electrical equipment’s joints are easy to loosen, causing the phase lines to touch. Ground fault occurs on the equipment shell; b) The cable repeatedly bends during the use of handheld and mobile electrical equipment, causing the core wire to be broken, piercing the cable insulation and contacting the external conductive part to cause a ground fault.
2) 海洋平臺手持式和移動式用電設備接地故障分析
Ground fault analysis of handheld and mobile electrical equipment on ocean platforms
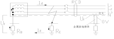
a) 單相接地故障。國際電工委員會標準IEC4.79(電流通過人體的效應)確定,通過人體的交流50Hz電流不超過30mA時,人體不會發生心室纖維性顫動而死亡,它與人體潮濕程度、接觸電壓高低沒有直接關系。大多數海洋平臺低壓配電系統接地形式一直沿用中性點不接地的IT系統,這樣如果發生直接觸及單相帶電導體、單相接地或者間接觸點故障時,單相接地故障電流為另外兩相對地電容電流的向量和,通常兩相對地電容電流的向量和很小,即故障電流很小,這種情況下不會構成電擊危險,因此也可以不切斷供電電源。但是,隨著海洋平臺用電設備的增多,電力電纜線路隨之增多,電容電流相應的變大,發生故障時單相接地電流也隨之變大。如果用電設備的外殼沒有可靠接地或者接地線斷開時,單相接地故障電流只能通過人體形成回路,當通過人體的交流50Hz電流超過30mA時,人體就可能會因發生心室纖維性顫動而死亡。在低壓配電系統中,用電設備的一相絕緣擊穿,使其設備外殼帶電。當單相接地故障電流Id=Ia+Ib≥30mA時,就超過了人體能承受的交流電流安全閾值,一定要立即切斷供電以確保安全。此時在用電設備處安裝漏電保護器是很好的解決辦法
Single-phase ground fault. The International Electrotechnical Commission standard IEC4.79 (Effect of current passing through the human body) determines that when the AC 50Hz current through the human body does not exceed 30mA, the human body will not die due to ventricular fibrillation. It has no direct relationship with the humidity of the human body and the level of contact voltage.Most of the low-voltage power distribution systems of ocean platforms have always used IT systems with ungrounded neutral points, so that if direct contact with single-phase live conductors, single-phase grounding or indirect contact failure occurs, the single-phase grounding fault current is the other two relative.The vector sum of the ground capacitance current is usually very small, that is, the fault current is very small. In this case, there is no danger of electric shock. Therefore, the power supply may not be cut off. However, as the number of electrical equipment used on ocean platforms increases, power cable lines increase accordingly, and the capacitive current increases accordingly, and the single-phase ground current also increases when a fault occurs. If the shell of the electrical equipment is not reliably grounded or the grounding wire is disconnected, the single-phase ground fault current can only form a loop through the human body. When the AC 50Hz current through the human body exceeds 30mA, the human body may be caused by ventricular fibrillation. die. In the low-voltage power distribution system, one-phase insulation breakdown of electrical equipment causes the equipment shell to become live. When the single-phase ground fault current Id=Ia+Ib≥30mA, it exceeds the safety threshold of AC current that the human body can withstand, and the power supply must be cut off immediately to ensure safety. At this time, installing a leakage protector at the electrical equipment is the only solution.叫
b) 異相接地故障。當發生單相接地故障時,另外兩相對地電壓升高,電氣設備的絕緣要求承受較高的電壓,可能會導致絕緣破壞使故障進一步擴大,照成異相接地故障的發生。根據《低壓配電設計規范》GB50054-1995中第4.4.14條:IT系統外露可導電部分可用共同的接地極接地,亦可個別地或成組地用單獨的接地極接地。當外露可導電部分為共同接地,則發生二次異相接地故障時,故障回路的切斷應符合TN系統接地故障保護的要求。海洋平臺是鋼結構體,本身就是導體,相當于用電設備外露可導電部分共用接地極接地。當發生異相接地故障時,故障回路的切斷應符合TN系統接地故障保護的要求。按照規范要,在TN系統中,手持式和移動式用電設備應設置漏電保護器。
Out-of-phase grounding fault. When a single-phase grounding fault occurs, the other two phase-to-ground voltages increase, and the insulation of electrical equipment is required to withstand a higher voltage, which may cause insulation damage and further enlarge the fault, which will result in an out-of-phase grounding fault. According to Article 4.4.14 of "Code for Low-Voltage Power Distribution Design" GB50054-1995: The exposed conductive parts of the IT system can be grounded with a common grounding electrode, or individually or in groups with separate grounding electrodes. When the exposed conductive parts are grounded together, when the second out-of-phase ground fault occurs, the cut-off of the fault circuit should meet the requirements of TN system ground fault protection. The offshore platform is a steel structure, which itself is a conductor, which is equivalent to the common grounding electrode of the exposed conductive parts of the electrical equipment. When an out-of-phase ground fault occurs, the disconnection of the fault circuit should meet the requirements of TN system ground fault protection. According to the specifications, in the TN system, handheld and mobile electrical equipment should be equipped with leakage protectors.
3. 產品概述 product description
剩余電流繼電器是由剩余電流互感器來檢測剩余電流,并在規定條件下,當剩余電流達到或超過給定值時,使電器的一個或多個電氣輸出電路中的觸點產生開閉動作的開關電器。
下面介紹三種常見的漏電情況。
The residual current relay is a residual current transformer to detect the residual current, and under specified conditions, when the residual current reaches or exceeds a given value, one or more electrical output circuit contacts in the electrical appliance will open and close. Switch electrical appliances.
Here are three common leakage situations.
1、 防直接接觸電擊要采用I△n≤30mA的高靈敏度的RCD。
High-sensitivity RCD with I△n≤30mA must be used to prevent direct contact and electric shock.
2、 防間接接觸電擊可采用I△n大于30mA的中靈敏度的RCD。
The medium sensitivity RCD with I△n greater than 30mA can be used to prevent indirect contact and electric shock.
3、 防火RCD需采用4極或2極RCD。
A 4-pole or 2-pole RCD shall be used for fireproof RCD.
對于IT系統,按規定采用剩余電流繼電器。為防止系統絕緣降低和作為二次故障后備保護,依據接線型式,采用類似 TT 或 TN 系統的保護措施。首先應采用絕緣監視裝置,預測一次故障。
For the IT systems, residual current relays are used as required. In order to prevent the insulation of the system from degrading and as a secondary fault backup protection, according to the wiring type, a protective measure similar to the TT or TN system is adopted. First, an insulation monitoring device should be used to predict a failure.
對于TT系統,推薦采用剩余電流繼電器。因為當發生單相接地故障時,故障電流很小,且較難估計,達不到開關的動作電流,外殼上將出現危險電壓。此時N線要穿過剩余電流互感器。
For the TT system, a residual current relay is recommended. Because when a single-phase ground fault occurs, the fault current is very small and difficult to estimate. If the operating current of the switch is not reached, a dangerous voltage will appear on the housing. At this time, the N wire must pass through the residual current transformer.
對于TN-S系統,可采用剩余電流繼電器。更快速靈敏切斷故障,以提高安全可靠性,此時 PE 線不得穿過互感器,N 線要穿互感器,且不得重復接地。
For the TN-S system, a residual current relay can be used. Cut off the fault more quickly and sensitively to improve safety and reliability. At this time, the PE wire must not pass through the transformer, and the N wire must pass through the transformer, and it must not be grounded repeatedly.
對于TN-C系統,不能采用剩余電流繼電器。因為 PE 線和 N 線合一,若 PEN 線不重復接地,當外殼帶電,互感器進出電流相等,ASJ拒動;若PEN線重復接地,部分單相電流將流入重復接地,達一定值后,ASJ 誤動。 需將TN-C系統改造成TN-C-S系統,同TN-S系統,再將剩余電流互感器接入TN-S系統中。
For the TN-C systems, residual current relays cannot be used. Because the PE wire and the N wire are integrated, if the PEN wire is not repeatedly grounded, when the shell is energized, the current in and out of the transformer is equal, and the ASJ refuses to move; if the PEN wire is repeatedly grounded, part of the single-phase current will flow into the repeated grounding. After reaching a certain value, ASJ malfunctioned. It is necessary to transform the TN-C system into a TN-C-S system, which is the same as the TN-S system, and then connect the residual current transformer to the TN-S system.

4.產品簡介 Product Introduction
安科瑞電氣ASJ系列剩余電流繼電器能夠滿足上述幾種漏電情況的防護,與遙控跳閘開關聯用,及時切斷電源,防止間接接觸、限制漏電電流。也可以直接作為信號繼電器,監控電力設備。特別適用于學校、商廈、工廠車間、集貿市場、工礦企業、國家重點消防單位、智能大廈與小區,地鐵、石油化工、電信及國防等部門用電的安全保護。
Acrel Electric's ASJ series residual current relay can meet the protection of the above-mentioned leakage conditions, and it can be used in conjunction with a remote trip switch to cut off the power supply in time to prevent indirect contact and limit the leakage current. It can also be directly used as a signal relay to monitor power equipment. It is especially suitable for the safety protection of electricity consumption in schools, commercial buildings, factory workshops, bazaars, industrial and mining enterprises, national key fire protection units, smart buildings and communities, subways, petrochemicals, telecommunications and national defense departments.
ASJ系列產品主要有兩種安裝方式,ASJ10系列為導軌安裝,外形和功能如下表所示:

The ASJ series products mainly have two installation methods. ASJ10 series are rail-mounted installations. The appearance and functions are shown in the following table:

ASJ20系列為面板安裝,外形和功能如下表所示:

ASJ20 series are panel mounted, the appearance and functions are shown in the following table:

其中AC型和A型剩余電流繼電器的區別是:AC型剩余電流繼電器是對突然施加或緩慢上升的剩余正弦交流電流能確保脫扣的剩余電流繼電器,主要監測正弦交流信號。A型剩余電流繼電器是對突然施加的或緩慢上升的剩余正弦交流電流和剩余脈動直流電流能確保脫扣的剩余電流繼電器,主要監測正弦交流信號和脈沖直流信號。
Among them, the difference between AC type and A type residual current relay is: AC type residual current relay is a residual current relay that can ensure the tripping of the residual sinusoidal alternating current that is suddenly applied or slowly rising, and it mainly monitors sinusoidal alternating current signals. Type A residual current relay is a residual current relay that can ensure the tripping of residual sinusoidal alternating current and residual pulsating direct current that is applied suddenly or slowly, and mainly monitors sinusoidal alternating current signals and pulsed direct current signals.
儀表具體的接線端子和典型接線如下所示:
The specific wiring terminals and typical wiring of the instrument are as follows:

5.結語 Conclusion
以往海洋平臺的電氣設計中,對于手持式和移動式用電設備的配電保護,基本沒有或很少裝設漏電保護器,更有設計者認為,在海洋平臺的IT供電系統中手持式和移動式用電設備沒有必要裝設漏電保護器,從上看來,這種想法只是考慮了其中的一個方面,是片面的。ASJ系列剩余電流繼電器產品能夠監測線路中的漏電流,當漏電流達到或者超過設定值時,內部繼電器動作,發出告警,并能與斷路器開關聯動,快速切斷線路,保證線路安全。
In the previous electrical design of ocean platforms, there were basically no or seldom installed leakage protectors for the power distribution protection of handheld and mobile electrical equipment. More designers believe that in the IT power supply system of ocean platforms, handheld and it is not necessary to install a leakage protector for mobile electrical equipment. From the above point of view, this idea only considers one aspect of it and is one-sided. ASJ series residual current relay products can monitor the leakage current in the line. When the leakage current reaches or exceeds the set value, the internal relay will act to issue an alarm, and can be linked with the circuit breaker switch to quickly cut off the line to ensure line safety.
參考文獻 References
[1]宿淑嬌, 張龍. 漏電保護器在海洋平臺的應用[J]. 科技傳播, 2010, 000(011):70,75. [2] 企業微電網設計與應用手冊.2020.6
[3] 王偉, 許建奎, 李長偉. 海洋石油平臺件熱電控系統接地保護[J]. 中國高新技術企業, 2008(20):93-93.
[4] 袁平. 淺談漏電保護在電氣安全方面的應用[J]. 中國高新區, 2017(23):130-131.
[1] Shujiao Su, Long Zhang. The application of leakage protectors in offshore platforms [J]. Science and Technology Communication, 2010, 000(011):70,75.
[2] Enterprise Microgrid Design and Application Manual. 2020.6
[3] Wei Wong, Jiankui XU,Changwei Li. Grounding protection of thermoelectric control system for offshore oil platform components[J]. China High-Tech Enterprise, 2008(20):93-93.
[4] Ping Yuan. Talking about the application of leakage protection in electrical safety [J]. China High-tech Zone, 2017(23):130-131.