|
188-6099-5107
商務合作:cuitingyu@email.acrel.cn
Application of ASJ series residual current relay in electrical construction of buildings
安科瑞 王沖
摘要:隨著我國經濟發展速度的進一步加快,人們的生活水平也得到了不斷地提升,不斷加大居民的用電量,各種家用電器方便了人們生活的同時,在一定程度上對居民的生活也產生了較大的隱患。在建筑電氣工程中,若有漏電問題的發生,就會影響著人們的日常生活,還會威脅著人們的生命安全。因此,需要采用漏電保護技術,在電氣工程系統中加入漏電保護裝置,從容有效地降低施工人員的觸電幾率。
關鍵詞:漏電;施工;觸電
Abstract: With the further acceleration of my country’s economic development, people’s living standards have also been continuously improved, and residents’ electricity consumption has been continuously increased.While various household appliances have facilitated people’s lives, they have also improved their lives to a certain extent. Life has also produced greater hidden dangers. In building electrical engineering, if there is a leakage problem, it will affect people's daily life and threaten people's lives. Therefore, it is necessary to adopt leakage protection technology and add leakage protection devices to the electrical engineering system to calmly and effectively reduce the chance of electric shock for construction workers.
Keywords: electric leakage; construction; electric shock
0:概述 Overview
對于建筑電氣的施工,能夠引起電氣施工不安全的因素很多,歸納起來主要包括:對于穿線工程中,導管細,導線繁多造成管內空間余量小,散熱面不夠。再加上施工人員技術素質低,不能按圖施工。這樣的危害是加快了導線絕緣層的老化速度,降低了工程的使用壽命。沒有將腐蝕劑擦拭干凈,開關處理沒有切斷相線,甚至將相線接到燈頭螺口線柱上。插座安裝將相線和零線位置互換,相線在上零線在下的規程接線問題等是在接線工作中常見的安全問題。不少施工人員容易產生麻痹心理,在導管敷設施工中,對金屬材質導管的管口不做處理,在管口處有很多毛刺,這些金屬毛刺是很大的安全隱患:在穿線施工中這些毛刺容易將導線的絕緣層劃開,后果不堪設想,一旦出現了問題,輕者造成短路停電而且難以維修,重者可能引起火災。在避雷系統施工過程中。引下線的做法各不相同,有的用鍍鋅圓鋼,有的利用構造柱的四根主筋沿墻體或柱內敷設。施工中如果漏焊也會留下很大的安全隱患,其造成的后果是:漏接或者漏焊一處圓鋼,很可能就會使引下線失去應有的作用,避雷系統就不能發揮正常作用。
For the electrical construction of buildings, there are many factors that can cause unsafe electrical construction. In summary, they mainly include: For the threading project, the thin conduit and the large number of wires result in a small margin in the pipe and insufficient heat dissipation surface. In addition, the technical quality of the construction personnel is low, and the construction cannot be carried out according to the drawings. This hazard is to accelerate the aging speed of the wire insulation layer and reduce the service life of the project. The corrosive agent was not wiped clean, the switching process didn’t cut off the phase wire, and even the phase wire was connected to the screw thread post of the lamp cap. Socket installation interchanges the position of the phase wire and the neutral wire, and the wiring problems of the phase wire on the upper and the neutral wire are common safety problems in the wiring work. Many construction workers are prone to paralysis. In catheter laying facilities, the nozzles of metal catheters are not treated, leaving many burrs at the nozzles. These metal burrs are a big safety hazard: these burrs during threading construction It is easy to cut the insulation layer of the wire, and the consequences are unimaginable. Once a problem occurs, the lighter will cause a short circuit and the power will be difficult to repair, and the severer may cause a fire. During the construction of the lightning protection system. The methods of down-conducting are different. Some use galvanized round steel, and some use the four main reinforcements of the structural column to lay along the wall or inside the column. If the welding is missed during the construction, it will also leave a big safety hazard. The consequences are: missed or missed welding of a round steel, it is very likely that the down conductor will lose its due role, and the lightning protection system will not be able to perform Normal function.
1:漏電保護技術在建筑電氣工程中應用原則
1: Principles of application of leakage protection technology in building electrical engineering
1) 在接地保護原則方面。建筑電氣工程低壓系統的中性點一般不進行接地,這樣在系統正常運行過程中,要將電氣設備金屬外殼接地,同時供電設備的金屬外殼也要進行接地保護。具體的內容包括以下幾個方面:一,便攜式用電器具、移動式用電器具金屬底座以及外殼、電壓器等電氣設備、傳動設備都要進行接地保護;二,汽油、柴油等金屬罐體外殼要進行接地;三,建筑施工現場中,超過20厘米高度的電梯軌道、腳手架、起重折臂吊、豎井架等也要進行接地保護;四,配電箱、配電屏柜、焊工工作平臺等也要進行接地保護;五,在建筑施工現場中,電動葫蘆、龍門吊、塔吊等軌道上,需要設置兩個或兩個以上的接地點。特別是對于軌道接頭處,要進行電氣連接處理,將節點的電阻控制在4歐姆以內。如果軌道中有接地滑接器,那么需要通過連接線將接地滑接器與軌道有效地連接起來。六,線路線桿上電氣設備金屬外殼以及支架要進行接地處理。
In terms of the principle of grounding protection. The neutral point of the low-voltage system of building electrical engineering is generally not grounded, so during the normal operation of the system, the metal shell of the electrical equipment must be grounded, and the metal shell of the power supply equipment must also be grounded. The specific content includes the following aspects: first, portable electrical appliances, mobile electrical appliances, metal bases, housings, voltage transformers and other electrical equipment, transmission equipment must be grounded; second, gasoline, diesel and other metal tanks The body shell must be grounded; third, in the construction site, elevator tracks, scaffolds, hoisting jib cranes, masts, etc. with a height of more than 20 cm must also be grounded; fourth, power distribution boxes and power distribution panels , Welders’ work platforms, etc. must also be grounded. Fifth, in the construction site, two or more grounding points need to be set on electric hoists, gantry cranes, tower cranes and other tracks. Especially for track joints, electrical connection processing must be carried out, and the resistance of the node must be controlled within 4 ohms. If there is a grounding slider in the track, it is necessary to effectively connect the grounding slider to the track through a connecting wire. Sixth, the metal shells and brackets of electrical equipment on line poles must be grounded.
2) 在接零保護原則方面。在建筑電氣施工正常進行過程中,一些電氣設備的不帶電外露部位,也需要進行接零保護,具體包括以下幾個方面:一,配電屏、控制屏金屬框架部分需要進行接零保護;二,電氣設備等傳動設施要進行接零保護;三,變壓器、發電機、照明工具、電動工具等金屬外殼以及電容器金屬外殼等也要進行接零進行保護。四,線路線桿中金屬支架、開關金屬外殼以及電容器金屬外殼等也要進行接零保護;六,建筑施工現場電氣室中設備的金屬外殼、帶電部分金屬門、欄桿等等同樣需要接零保護。
In terms of the principle of zero protection. In the normal process of electrical construction of buildings, the uncharged exposed parts of some electrical equipment also need to be zero-connected protection, including the following aspects: First, the metal frame of the power distribution panel and control panel needs to be zero-connected protection; Second, transmission facilities such as electrical equipment must be protected against zero connection; third, metal casings such as transformers, generators, lighting tools, power tools, and capacitor metal casings must also be protected against zero connection. Fourth, the metal brackets, switch metal shells, and capacitor metal shells in the line poles must also be connected to zero protection; Sixth, the metal shells of the equipment in the electrical room of the construction site, the metal doors of the live parts, the railings also need to be connected Zero-protection.
3) 建筑電氣安裝和施工配合原則。在建筑施工過程中,建筑安裝人員和施工人員在各道工序和各個工種之間密切配合、相互協作,改善施工環境,一樣同樣看待本專業施工成果和對方施工成果,盡量做到不污染、不丟棄、不破壞,盡可能實現一次成型施工。如果是單項工程,則需要土建施工單位和建筑電氣安裝單位協作完成,土建施工單位逐項編制施工工序,雙方互相配合,制作科學合理的施工計劃和方案。電氣設備安裝和用電等專業是整個施工項目的重要部分,在施工過程中起著重要作用。因此,土建單位在施工進度計劃時,需要考慮在施工過程中可能出現的問題、建筑電氣安裝專業的相關問題,并預留出足夠的電氣安裝工期,從而創造出良好的施工條件。
Principles of building electrical installation and construction cooperation. In the process of building construction, construction installation personnel and construction personnel closely cooperate and cooperate with each other in various procedures and types of work to improve the construction environment,and try best to achieve no damage, no throwing, no damage, and achieve one-time molding construction as much as possible. If it is a single project, it needs to be completed by the civil construction unit and the building electrical installation unit. The civil construction unit prepares the construction procedures item by item, and the two parties cooperate with each other to make a scientific and reasonable construction plan and plan.Professionals such as electrical equipment installation and electricity use are an important part of the entire construction project and play an important role in the construction process. Therefore, when the civil engineering unit specifies the construction schedule, it needs to consider the problems that may arise during the construction process and the related issues of the building electrical installation profession, and reserve enough electrical installation time to create good construction conditions.
2.現代建筑電氣漏電保護對策
Modern building electrical leakage protection countermeasures
1) 需安裝漏電保護器的場所。建筑工地施工環境復雜多半,用到的建筑材料種類繁多。在一些潮濕的設備操作環境需安裝漏電保護措施,設備使用隨著建筑結構的發展需要經常移動,很多電源端都是臨時的,往往忽略了漏電保護器的安裝,嚴重地威脅著操作人員的人身安全,以及整個工程的穩定進展。腐蝕性和易燃物附近的用電設備需要加強安全措施,根據不同場地的結構,選取合適功能的附件,如采光點弱安全通道較長處,整個保護系統就需要安裝照明設備,一些大型設備在運轉中不可以突然中止,阻斷設備的設計要求速度合理,要加強報警裝置的安放。建筑電氣導線分布復雜,交叉分部很容易造成高溫起火,在漏電保護方案的設計中,要考慮小販報警和保障應急照明系統通電等問題,確保安全作業,提升建筑安全質量,為整個工程順利投入使用打好基礎。
Places where leakage protectors need to be installed. The environment of construction sites is mostly complex, and there are many kinds of building materials used. In some humid equipment operating environments, leakage protection measures need to be installed. The equipment needs to be moved frequently with the development of the building structure. Many power terminals are temporary, and the installation of leakage protectors is often ignored, which seriously threatens the lives of operators. Safety, and the steady progress of the entire project. Electrical equipment near corrosive and flammable materials need to strengthen safety measures. According to the structure of different sites, select accessories with suitable functions. It’s not allowed to stop suddenly during operation. The design of blocking equipment requires reasonable speed, and the placement of alarm devices should be strengthened. The distribution of electrical wires in buildings is complex, and the cross-sections are likely to cause high temperature and fire. In the design of the leakage protection scheme, it is necessary to consider issues such as hawker alarm and ensuring that the emergency lighting system is energized to ensure safe operation, improve the safety quality of the building, and smoothly invest in the entire project Use a good foundation.
2) 漏電保護器動作電流的選擇。單臺用電設備的漏電保護器,其動作電流要四倍于正常運行時的實測泄漏電流以上;配電線路中的漏電保護器,其動作電流要大于正常運行實測泄露電流的2.5倍,與此同時,還要保證大于泄漏電流的用電設備在正常運行時泄漏電流的4倍。對于整個網進行保護時,其動作電流要2倍于實測泄漏電流,同時漏電保護器的額定動作電流要有一定的過盈量,以滿足由于用電設備的增加、日久回路絕緣的電阻降低以及季節性的溫度辯護等導致電流泄漏的變大。
Selection of the operating current of the leakage protector. The operating current of the leakage protector of a single electrical equipment is four times or more than the measured leakage current during normal operation; the operating current of the leakage protector in the distribution line is greater than 2.5 times of the measured leakage current during normal operation, and at the same time, it’s also necessary to ensure that the leakage current of the electrical equipment with the largest leakage current is 4 times that of the leakage current during normal operation. When protecting the entire network, its operating current should be twice as much as the measured leakage current. At the same time, the rated operating current of the leakage protector must have a certain amount of interference to meet the requirements of the increase in electrical equipment and the decrease in the resistance of the circuit insulation over time. As well as seasonal temperature defenses, the current leakage increases.
3) 四極和二極漏電保護器的應用。對于電氣安全和基本要求準則即為盡可能減少電器的觸頭數、極數和線路的連接點。線路的固定連接點和開關觸頭等的活動連接,在各種原因的影響下,都會由于導電不良而引發事故。尤其是三相回路中的中性線,其導電不良而引發的危險更加嚴重,這是由于當中性線導電不良時,設備卻仍然在運行,不易發現隱患,如果三相負荷發生嚴重不平衡,這將使三相電壓也趨于嚴重的不平衡狀態,進而將單相設備燒壞,因此要盡可能地限制在中性線上增加觸頭。
Application of four-pole and two-pole leakage protector. The criterion for electrical safety and basic requirements is to minimize the number of contacts, poles, and connection points of electrical appliances. The fixed connection point of the circuit and the movable connection of the switch contact, etc., under the influence of various reasons, will cause accidents due to poor conduction. Especially for the neutral wire in the three-phase circuit, the danger caused by its poor conductivity is more serious. This is because when the neutral wire is poorly conductive, the equipment is still running, and hidden dangers are not easy to find. If the three-phase load is seriously unbalanced, This will make the three-phase voltage also tend to be in a serious unbalanced state, and then burn out the single-phase equipment, so it’s necessary to limit the increase of contacts on the neutral line as much as possible.
4) 等電位聯結的實施。等電位聯結即為把保護接零總線和建筑物的暖通管、總煤氣管、總水管等金屬管道或裝置,用導線進行聯結的一種方法,以此來均衡建筑物內電位的目的,此法尤其適用于易燃易爆的場所。對于單相220V的線路,漏電保護器只能起到間接接觸保護作用,還同時存在由于機件的磨損、質量的不穩定引發的壽命較短、接觸不良等因素的影響,導致動作失靈等隱患,無法單獨作為一種有效的保護措施,仍需進行等電位聯結,才能完全消除低電位的金屬零件與漏電的設備或電氣線路之間的電火花、電弧現象的發生,進而有效避免火災等安全事故。
Implementation of equipotential bonding. Equipotential bonding is a method of connecting the protective zero bus and the metal pipes or devices of the building's HVAC pipe, gas main, water main and other metal pipes with wires to balance the potential in the building. This method is especially suitable for flammable and explosive places. For single-phase 220V lines, the leakage protector can only play the role of indirect contact protection. At the same time, it also has the influence of short life, poor contact and other factors caused by the wear of the mechanical parts and the instability of the quality, resulting in hidden dangers such as operation failure. It cannot be used as an effective protective measure alone. Equipotential bonding is still needed to completely eliminate the occurrence of electric sparks and arcs between low-potential metal parts and leakage equipment or electrical circuits, thereby effectively avoiding fires and other safety accident.
5) 漏電保護器的使用要注意的問題
① 漏電保護器額定漏電動作電流的協調配合
在就地用電負荷保護的漏電保護器,其額定的漏電動作電流IΔn1要滿足IΔn1≤30mA的這一條件;干線或分支線保護的漏電保護器,其額定的漏電動作電流IΔn2的前提是IΔn2≥1.25IΔn1;主干線或總干線保護的漏電保護器哦,其額定的漏電動作電流IΔn3通常是300mA,按照相應標準,其前提條件為300mA≥IΔn3≥1.25IΔn2。所以,總結來說,漏電保護器的使用條件可歸納為300mA≥IΔn3≥1.25IΔn2、IΔn2≥1.25IΔn1、IΔn1≤30mA。
② 漏電保護器額定動作時間的協調配合
首先,根據《漏電保護器安裝運行規程》中的相關標準,上下級漏電保護器額定動作時間的級差處于0.2s,作為快速型的是處于末端保護漏電保護器的額定值,通常都小于0.1s,而二級和三級的漏電保護器的額定值則有所延伸,其延伸值分別為0.2s和0.4s。再者將漏電保護器的反時限延的特殊性加以運用,比如上級比二級少0.1s,三級則要加時0.2s。如果建筑工地選用的漏電保護器屬于反時限型,則可以將日本現行使用標準作為參照進行使用。若漏電電流為IΔn,動作時間處于0.2~1s之間;若漏電電流為1.4IΔn,動作時間則處于0.1s和0.5s之間;若漏電電流為4.4IΔn,動作時間在0.05s以內。
5) Issues that should be paid attention to in use of leakage protectors
① Coordination of the rated leakage current of the leakage protector
In the earth leakage protector for on-site electrical load protection, the rated earth leakage current IΔn1 must meet the condition of IΔn1≤30mA; for the earth leakage protector for main or branch line protection, the premise of the rated earth leakage current IΔn2 is IΔn2 ≥1.25IΔn1; The leakage protector for main trunk or main trunk protection, its rated leakage action current IΔn3 is usually 300mA, according to the corresponding standard, the prerequisite is 300mA≥IΔn3≥1.25IΔn2. Therefore, in summary, the operating conditions of the leakage protector can be summarized as 300mA≥IΔn3≥1.25IΔn2, IΔn2≥1.25IΔn1, IΔn1≤30mA.
③ Coordination of the rated operating time of the leakage protector
First of all, according to the relevant standards in the " Regulations of the Installation and Operation of leakage protector”, he difference in the rated operating time of the upper and lower-level earth-leakage protectors is 0.2s. As a fast type, the rated value of the end-of-life earth-leakage protector is usually less than 0.1s. , And the ratings of the secondary and tertiary leakage protectors have been extended, and their extension values ??are 0.2s and 0.4s respectively. In addition, the special nature of the inverse time delay of the leakage protector is used. For example, the first stage is 0.1s less than the second stage, and the third stage must add 0.2s. Finally, if the earth-leakage protector selected by the construction site is of inverse time limit type, you can use the current Japanese standard for use as a reference. If the leakage current is IΔn, the action time is between 0.2 and 1s; if the leakage current is 1.4IΔn, the action time is between 0.1s and 0.5s; if the leakage current is 4.4IΔn, the action time is within 0.05s.
3. 產品概述 Product overview
常見的相與相間發生短路可以產生很大電流,可采用開關保護,而發生人體觸電、線路老化而導致的電流泄露產生的火災以及設備的接地故障都是由于漏電流所造成,漏電流一般都在30mA-3A,這些值很小,傳統開關無法進行保護,所以要采用剩余電流動作保護裝置。
剩余電流繼電器是由剩余電流互感器來檢測剩余電流,并在規定條件下,當剩余電流達到或超過給定值時,使電器的一個或多個電氣輸出電路中的觸點產生開閉動作的開關電器。
The common phase-to-phase short circuit can generate a large current, which can be protected by a switch. However, the current leakage caused by human body electric shock and line aging and the ground fault of the equipment are caused by leakage current. The leakage current is generally at 30mA-3A, these values ??are so small that traditional switches can’t protect, so a residual current-operated protection device must be used.
The residual current relay is a residual current transformer to detect the residual current, and under the specified conditions, when the residual current reaches or exceeds a given value, one or more electrical output circuit contacts in the electrical appliance will open and close.
下面介紹三種常見的漏電情況。Following are three common leakage situations.
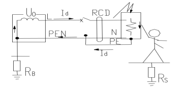
1、 防直接接觸電擊要采用I△n≤30mA的高靈敏度的RCD。
High-sensitivity RCD with I△n≤30mA must be used to prevent direct contact and electric shock
2、 防間接接觸電擊可采用I△n大于30mA的中靈敏度的RCD。
The medium sensitivity RCD with I△n greater than 30mA can be used to prevent indirect contact electric shock.
3、 防火RCD需采用4極或2極RCD。
A 4-pole or 2-pole RCD should be used for fireproof RCD.
對于IT系統,按規定采用剩余電流繼電器。為防止系統絕緣降低和作為二次故障后備保護,依據接線型式,采用類似 TT 或 TN 系統的保護措施。首先應采用絕緣監視裝置,預測一次故障。
For the IT systems, residual current relays are used as required. In order to prevent the insulation of the system from degrading and as a secondary fault backup protection, according to the wiring type, a protective measure similar to the TT or TN system is adopted. First, an insulation monitoring device should be used to predict a failure.
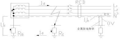
對于TT系統,推薦采用剩余電流繼電器。因為當發生單相接地故障時,故障電流很小,且較難估計,達不到開關的動作電流,外殼上將出現危險電壓。此時N線要穿過剩余電流互感器。
For the TT system, a residual current relay is recommended. Because when a single-phase ground fault occurs, the fault current is very small and difficult to estimate. If the operating current of the switch is not reached, a dangerous voltage will appear on the housing. At this time, the N wire must pass through the residual current transformer.
對于TN-S系統,可采用剩余電流繼電器。更快速靈敏切斷故障,以提高安全可靠性,此時 PE 線不得穿過互感器,N 線要穿互感器,且不得重復接地。
For the TN-S system, a residual current relay can be used. Cut off the fault more quickly and sensitively to improve safety and reliability. At this time, the PE wire must not pass through the transformer, and the N wire must pass through the transformer, and it must not be grounded repeatedly.
對于TN-C系統,不能采用剩余電流繼電器。因為 PE 線和 N 線合一,若 PEN 線不重復接地,當外殼帶電,互感器進出電流相等,ASJ拒動;若PEN線重復接地,部分單相電流將流入重復接地,達一定值后,ASJ 誤動。 需將TN-C系統改造成TN-C-S系統,同TN-S系統,再將剩余電流互感器接入TN-S系統中。
For the TN-C systems, residual current relays cannot be used. Because the PE line and the N line are integrated, if the PEN line is not repeatedly grounded, when the housing is energized, the input and output currents of the transformer are equal, and the ASJ refuses to move; if the PEN line is repeatedly grounded, part of the single-phase current will flow into the repeated grounding. After reaching a certain value, ASJ malfunctioned. It is necessary to transform the TN-C system into a TN-C-S system, which is the same as the TN-S system, and then connect the residual current transformer to the TN-S system.

4.產品簡介 Product introduction
安科瑞電氣ASJ系列剩余電流繼電器能夠滿足上述幾種漏電情況的防護,與遙控跳閘開關聯用,及時切斷電源,防止間接接觸、限制漏電電流。也可以直接作為信號繼電器,監控電力設備。特別適用于學校、商廈、工廠車間、集貿市場、工礦企業、國家重點消防單位、智能大廈與小區,地鐵、石油化工、電信及國防等部門用電的安全保護。
Acrel Electric's ASJ series residual current relay can meet the protection of the above-mentioned leakage conditions, and it can be used in conjunction with a remote trip switch to cut off the power supply in time to prevent indirect contact and limit the leakage current. It can also be directly used as a signal relay to monitor power equipment. It is especially suitable for the safety protection of electricity consumption in schools, commercial buildings, factory workshops, bazaars, industrial and mining enterprises, national key fire protection units, smart buildings and communities, subways, petrochemicals, telecommunications and national defense departments.
ASJ系列產品主要有兩種安裝方式,ASJ10系列為導軌安裝,外形和功能如下表所示:
ASJ series products mainly have two installation methods. ASJ10 series are rail-mounted installations. The appearance and functions are shown in the following table:


ASJ20系列為面板安裝,外形和功能如下表所示:
Appearance Model Main function Function difference


其中AC型和A型剩余電流繼電器的區別是:AC型剩余電流繼電器是對突然施加或緩慢上升的剩余正弦交流電流能確保脫扣的剩余電流繼電器,主要監測正弦交流信號。A型剩余電流繼電器是對突然施加的或緩慢上升的剩余正弦交流電流和剩余脈動直流電流能確保脫扣的剩余電流繼電器,主要監測正弦交流信號和脈沖直流信號。
儀表具體的接線端子和典型接線如下所示:
Among them, the difference between AC type and A type residual current relay is: AC type residual current relay is a residual current relay that can ensure the tripping of the residual sinusoidal alternating current that is suddenly applied or slowly rising, and it mainly monitors sinusoidal alternating current signals. Type A residual current relay is a residual current relay that can ensure the tripping of residual sinusoidal alternating current and residual pulsating direct current that is applied suddenly or slowly, and mainly monitors sinusoidal alternating current signals and pulsed direct current signals.
The specific wiring terminals and typical wiring of the instrument are as follows:
5.結語
在現代建筑電氣中,漏電保護器的使用能夠有效地避免居民觸電的現象發生,同時能夠提醒用戶及時采取必要的防護措施。ASJ系列剩余電流繼電器產品能夠監測線路中的漏電流,當漏電流達到或者超過設定值時,內部繼電器動作,發出告警,并能與斷路器開關聯動,快速切斷線路,保證線路安全。
5 Conclusion
In modern building electrical, the use of leakage protectors can effectively prevent residents from getting an electric shock, and at the same time can remind users to take necessary protective measures in time. ASJ series residual current relay products can monitor the leakage current in the circuit, when the leakage current reaches or exceeds
參考文獻
[1]宋斐. 建筑電氣工程中的漏電保護技術研究[J]. 建材技術與應用, 2016, 000(003):14-16.
[2]企業微電網設計與應用手冊.2020.6
[3]胡凱. 建筑電氣工程施工中的漏電保護技術分析[J]. 門窗, 2017(2).
[4]袁平. 淺談漏電保護在電氣安全方面的應用[J]. 中國高新區, 2017(23):130-131.
[5]趙志勇, ZHAO, Zhi-yong,等. 淺談建筑電氣工程施工中的漏電保護技術[J]. 科技視界, 2017.
References
[1] Fei Song. Research on Leakage Protection Technology in Building Electrical Engineering[J]. Building Materials Technology and Application, 2016, 000(003): 14-16.
[2] Enterprise Microgrid Design and Application Manual. 2020.6
[3] Kai Hu. Analysis of leakage protection technology in the construction of electrical engineering of buildings[J]. Doors and Windows, 2017(2).
[4]Ping Yuan. Talking about the application of leakage protection in electrical safety[J]. China High-tech Zone, 2017(23):130-131.
[5] Zhiyong Zhao,etc. Talking about the leakage protection technology in the construction of electrical engineering [J]. Science and Technology Vision, 2017.