|
188-6099-5107
商務合作:cuitingyu@email.acrel.cn
安科瑞 王沖
摘要:在努力實現“碳中和”的背景下,未來我國新能源汽車的發展趨勢不會改變。目前我國新能源汽車進入黃金發展階段,作為電動汽車的“補給站”,充電樁也呈現出瘋狂式的增長,各地出臺扶持政策,在這樣一個利好的政策下,無疑會提供巨大的市場。基于此,文章主要分析了充電樁應用前景以及應導軌式直流電能表的應用。
關鍵詞:充電樁;新能源;直流電能表;電動汽車
0:概述
根據《新能源汽車產業發展規劃(2021—2035年)》規劃,到2025年新能源汽車銷量占汽車銷量的25%左右,保守預計新能源汽車銷量700萬輛左右。以新能源汽車保有量 2000萬輛、車樁比1:1估算,需要的充電樁數量約1880萬臺。
隨著新能源汽車越來越多,作為新能源汽車的“加油機”,充電樁也越來越多,充電服務市場已經形成了一定的規模和格局。
充電樁能實現計時、計電度、計金額充電,可以作為市民購電終端。同時為提高公共充電樁的效率和實用性,目前有雙槍雙路計量,快充和慢充等方式。通常情況,充電樁內部會設有一個直流電能表計,對每一只槍進行用電實時監測。
1:背景應用
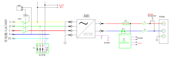
在電動汽車充電系統中,充電樁通過和汽車電池管理系統(BMS)通訊,將三相交流輸入電能轉換為BMS 所需的直流電能,在直流母線的輸出側會接入直流電表,用于對輸出電能進行計量。充電管理控制器讀取直流電能表的電能數據,并控制直流充電輸出等。直流電能表可配置分流器或者霍爾傳感器實現對充電電能的計量。

圖1 直流充電樁應用原理圖

圖2 儀表現場安裝圖
2:產品介紹
DJSF1352-RN導軌式直流電能表帶有雙路直流輸入,主要針對直流充電樁等應用場合而設計,該系列儀表可測量直流系統中的電壓、電流、功率以及正反向電能等。在實際使用現場,即可計量總電能,又可計量規定時間段內的電能。檢測的結果既可用于本地顯示,又能與工控設備、計算機連接,組成測控系統。
圖3 DJSF1352-RN產品圖
3:功能介紹
導軌式安裝方式,4模大小
電壓、電流、功率等電參量測量
正向,反向有功電能計量
上12個月歷史電能統計
具有日歷、計時和閏年自動轉換功能,具有校時功能。其中廣播下發的時鐘誤差不得大于5分鐘,在零點前后十分鐘內不準校時,每天只允許校時一次
具有兩套費率時段,可通過預先設置的時間實現兩套費率時段的自動轉換,每-485通訊接口,采用DL/T645-2007通訊協議和Modbus-RTU協議,RS485的通訊速率可在1200bps、2400bps、4800bps、9600bps設置。
4:結語
整體來看,我國新能源汽車市場前景依然向好,發展潛力巨大。隨著充電站的建設,我國新能源汽車與充電樁保有量的配比也逐步趨于合理。雖然充電基礎設施布局日漸完善,但與新能源汽車的保有量相比仍有不足的地方,未來還將加快增長。
參考文獻:
[1]《安科瑞充電樁收費運營解決方案》
[2] 《企業微電網設計與應用手冊》.2020.6
[3]《電動汽車充電樁控制工作原理研究》 韋顏祥,許虔虔